BR/BRTの標準Tナットと交換して、ジョー交換時のジョー位置の再現精度を0.01mm T.I.R.注) に向上し、ジョーの再成形を不要とします。
注) BR/BRT12では、0.015mm T.I.R. となります。
特許第6345375号

オプションの特殊Tナットの使用でさらに高精度に。
Tnut-Plusの使用によりジョーの再成形が不要となり、
ジョー脱着後の把握精度が0.01mm T.I.R.以下となります。注1)
注1) BR/BRT12では、把握精度は0.015mm T.I.R.となります。
ジョー交換後の再成形が不要のため段取替え時間を大幅に短縮できます。
ジョーの取付再現性が高いため、高価な特殊ジョーは不要です。


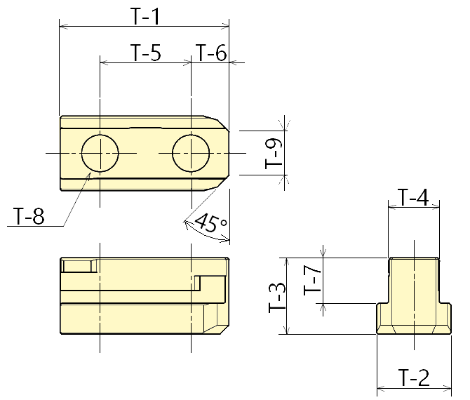
T-8はソフトジョー取付ボルトサイズです。
型式 | T-1 | T-2 | T-3 | T-4 | T-5 | T-6 | T-7 | T-8 | T-9 | 適応チャック型式 |
|---|---|---|---|---|---|---|---|---|---|---|
TN05PLUS | 26.5 | 14.1 | 15.5 | 10 | 14 | 6 | 10 | M8 | 5 | BR05 |
TN06PLUS | 36.5 | 17.5 | 19 | 12 | 20 | 8.25 | 11.5 | M10 | 9 | BR06 |
TN08PLUS | 46.5 | 20.5 | 21 | 14 | 25 | 10.5 | 12.5 | M12 | 12 | BR08 |
TN10PLUS | 52 | 22.5 | 22 | 16 | 30 | 11 | 13.5 | M12 | 11 | BR10 |
TN12PLUS | 56.25 | 29.5 | 23.5 | 21 | 30 | 12 | 12 | M16 | 14 | BR12 |
製品を検索する SEARCH