
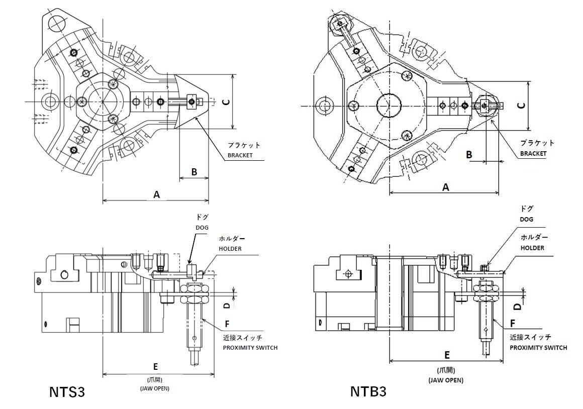
ブラケット型式 | グリッパ型式 | 外径寸法 | 部品の3D図 | ||||||
|---|---|---|---|---|---|---|---|---|---|
A | B | C | D | E | F | ||||
NT307-B | NTS307 | 56.5 | 7.5 | 30 | 2 | 59.5 | M8 | ||
NTB309 | 64.5 | 7.5 | 30 | 2 | 67 | M8 | |||
NT309-B | NTS309 | 64.5 | 7.5 | 33.5 | 2 | 69.5 | M8 | ||
NTB311 | 76 | 7.5 | 33.5 | 2 | 80.5 | M8 | |||
NT311-B | NTS311 | 76 | 7.5 | 39.5 | 2 | 83 | M8 | ||
NTB313 | 90 | 7.5 | 39.5 | 2 | 96.5 | M8 | |||
NT313-B | NTS313 | 90.5 | 7.5 | 50 | 2 | 105 | M8 | ||
NT317-B | NTS317 | 113 | 7.5 | 65 | 2 | 127 | M8 | ||
製品を検索する SEARCH