近接スイッチブラケット NTS2用

オプション

Img
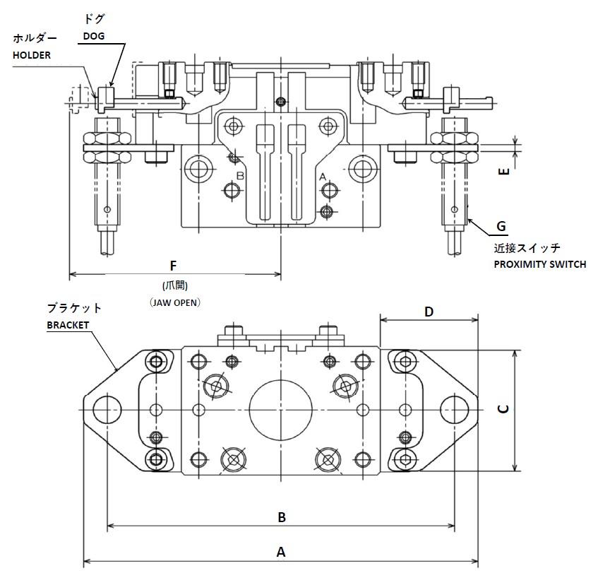
  • ジョーの開閉を確認する近接スイッチ取り付け用

仕様

ブラケット型式

グリッパ型式

外径寸法

部品の3D図

A

B

C

D

E

F

G

NTS206-B

NTS206

108

21.5

7.5

34

2

57

M8

Parasolid

STEP

NTS208-B

NTS208

125

23

7.5

40

2

67

M8

Parasolid

STEP

NTS210-B

NTS210

146

22

7.5

47

2

80.5

M8

Parasolid

STEP

NTS212-B

NTS212

173

22

7.5

54

2

95.5

M8

Parasolid

STEP

NTS216-B

NTS216

218

22

7.5

64

2

122

M8

Parasolid

STEP

NTS220-B

NTS220

271

35.5

7.5

82

2

152

M8

Parasolid

STEP

上へ